产品中心

您当前的位置:首页 > 产品中心 > 扭矩传感器 > 静态扭矩传感器 > GR013 静态扭矩传感器

GR013 静态扭矩传感器

型号:GR013
用于静态、非连续旋转的扭矩值测,结构紧凑、容易安装,应用领域:汽车压装、自动化组装、3C产品测试、新能源产品组装、医疗检测、机器人领域、模具组装及其他工业测试、测量及控制系统。

咨询电话:

021-6995 0822

产品介绍

产品特征:

    用于静态、非连续旋转的扭矩值测, 测量精度0.1%

    结构紧凑、安装便捷

    动态响应快,具有优越的线性与重复性

    广泛应用于自动化测力领域


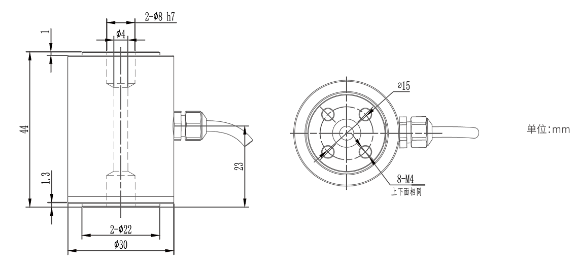
量程及尺寸图:

GR013尺寸图
量程: 0.2,0.5,1,2,3,5,10Nm 
                                                                  

  技术参数

量程

Capacity

0.2,0.5,1,2,3,5,10Nm

材质

Material

不锈钢

输出灵敏度

Rated output

2.0 ±10%  mV/V

输出电阻

Output Impedance

700±3Ω

非线性

Non-linearity

 0.1% F.S.

绝缘电阻

 Insulation

>5000MΩ/10VDC

滞后

Hysteresis

 0.1 % F.S.

使用电压 

Recommended Excitation

5~10V

重复性

Repeatability

 0.1 % F.S.

最大工作电压 

Excitation max

15V

蠕变(30分钟)

Creep(30min)

0.05 % F.S.

温度补偿范围

Compensated Temp Range

-10~60

温度灵敏度漂移

Temp Effect On Output

0.05 % F.S./ 10

工作温度范围

Operating Temp Range

-20~80

零点温度漂移

Temp Effect On Zero

0.05 % F.S./ 10

安全负载

Safe Load

150%

防护等级

Protection Class

IP 66

极限负载

 Ultimate Load Limit

200%

输入阻抗

Input Impedance

750±5Ω

电缆长度

Cable Length

3 x 4000mm

电缆线连接方式

Wire Connection

Ex +: (Red) ;   Ex -: (Black) ;  Sig +: 绿 (Green );  Sig -: (White);      
























请输入搜索关键字

确定