产品中心

您当前的位置:首页 > 产品中心 > 测力传感器 > 微型拉压测力传感器 > GR810 小尺寸拉压力传...

GR810 小尺寸拉压力传感器

型号:GR810
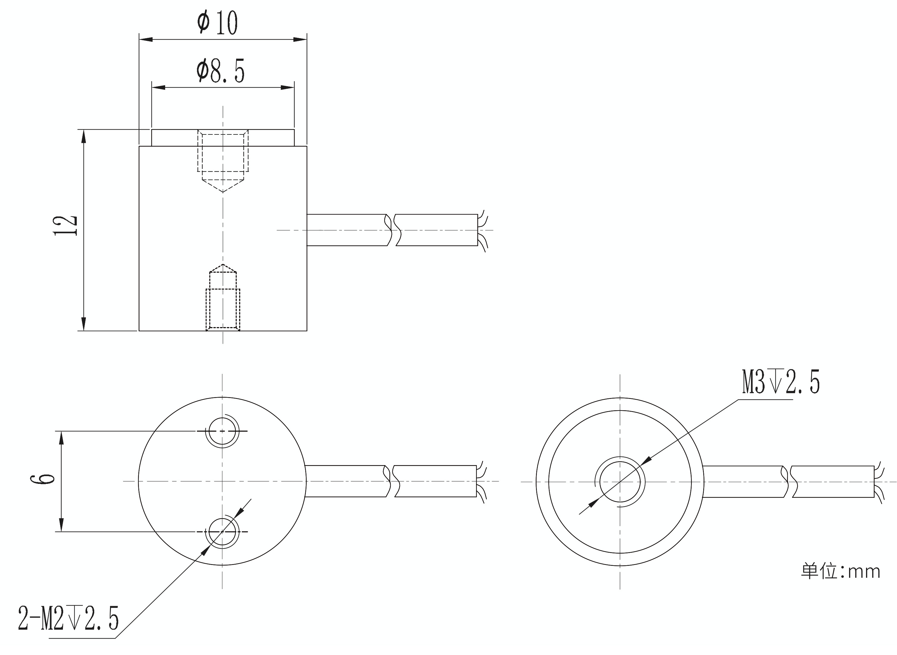
特点及用途:外径10,高度12,精度0.1%,动态响应快,平面安装,平面受力,主要用于汽车压装、自动化组装、3C产品测试、新能源产品组装、医疗检测、机器人领域,点胶机测力,模具组装及其他工业测试、测量。

咨询电话:

021-6995 0822

产品介绍

产品特征:

    外径10,高度12

    可测拉压双向力,精度0.1%

    动态响应快,平面安装受力

    主要应用于3C产品测试、新能源产品组装、医疗检测、机器人领域,点胶机测力等。


量程及尺寸图:

GR810受力方式
                                      量程: 0~5N~10N~20N~30N~50N~100N~200N                                                      

  技术参数

量程

Capacity

5, 10, 20, 30, 50, 100, 200N

材质

Material

不锈钢

输出灵敏度

Rated output

2.0 ±10%  mV/V

输出电阻

Output Impedance

350±3Ω

非线性

Non-linearity

0.1 % F.S.

绝缘电阻

 Insulation

>5000MΩ/10VDC

滞后

Hysteresis

 0.1 % F.S.

使用电压 

Recommended Excitation

5~10V

重复性

Repeatability

 0.1 % F.S.

最大工作电压 

Excitation max

12V

蠕变(30分钟)

Creep(30min)

0.1 % F.S.

温度补偿范围

Compensated Temp Range

-10~60

温度灵敏度漂移

Temp Effect On Output

0.05 % F.S./ 10

工作温度范围

Operating Temp Range

-20~80

零点温度漂移

Temp Effect On Zero

0.05 % F.S./ 10

安全负载

Safe Load

120%

防护等级

Protection Class

IP 66

极限负载

 Ultimate Load Limit

150%

输入阻抗

Input Impedance

350±5Ω

电缆长度

Cable Length

2 x 4000mm

电缆线连接方式

Wire Connection

Ex +: (Red) ;   Ex -: (Black) ;  Sig +: 绿 (Green );  Sig -: (White);      
























请输入搜索关键字

确定