产品中心

您当前的位置:首页 > 产品中心 > 测力传感器 > 微型拉压测力传感器 > GR805 微型拉压测力传...

GR805 微型拉压测力传感器

型号:GR805
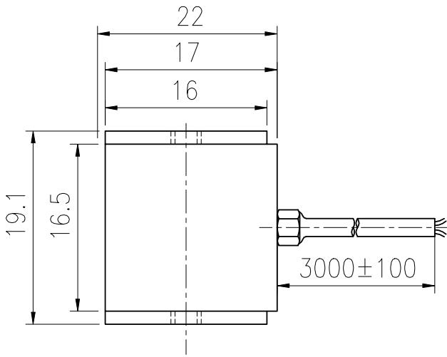
特点及用途:高度19.1,宽度16,厚度6.7,可测量拉压双向力;高速动态响应输出,精度0.05%;测力部分:内螺纹方向的拉伸或压缩。广泛应用于自动化力值检测,典型应用:按键检测。

咨询电话:

021-6995 0822

产品介绍

产品特征:

    高度19.1,宽度16,厚度6.7,精度0.05%,可测量拉压双向力

    拉压两用型力传感器,两端为内螺纹,内螺纹方向的拉伸或压缩

    过载保护,满量程5倍过载不会损坏

    广泛应用于自动化力值检测,典型应用:按键检测。


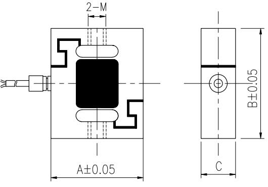
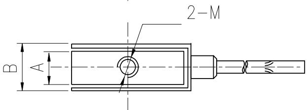
量程及尺寸图:

GR805-尺寸图1 GR805-尺寸图2

量程

A

B

M

0-1N-5N-20N

5

6.7

M3 螺纹深度3毫米

           注:1、 螺丝安装时,深度不可超过4毫米。不可接触到传感器中间部分,以免影响测量结果。

                  2、 传感器安装时,两边盖板不可与中间柱体接触,否则影响测试准度。


GR805-尺寸图3

量程

A

B

C

M

0-50N-500N

16

19.1

6

M4 螺纹深度3毫米

0-200N-2KN

26

40

12

M8 螺纹深度8毫米

          注: 螺丝安装时,不可拧太深。不可接触到传感器中间部位,以免影响测量结果。
                                                

  技术参数

量程

Capacity

0-1N~50N~2000N

材质

Material

不锈钢

输出灵敏度

Rated output

2.0 ±10%  mV/V

输出电阻

Output Impedance

350±3Ω

非线性

Non-linearity

 0.05 % F.S.

绝缘电阻

 Insulation

>5000MΩ/10VDC

滞后

Hysteresis

 0.05 % F.S.

使用电压 

Recommended Excitation

5~10V

重复性

Repeatability

 0.05 % F.S.

最大工作电压 

Excitation max

15V

蠕变(30分钟)

Creep(30min)

0.05 % F.S.

温度补偿范围

Compensated Temp Range

-10~60

温度灵敏度漂移

Temp Effect On Output

0.05 % F.S./ 10

工作温度范围

Operating Temp Range

-20~80

零点温度漂移

Temp Effect On Zero

0.05 % F.S./ 10

安全负载

Safe Load

500%

防护等级

Protection Class

IP 66

极限负载

 Ultimate Load Limit

1000%

输入阻抗

Input Impedance

350±5Ω

电缆长度

Cable Length

2 x 4000mm

电缆线连接方式

Wire Connection

Ex +: (Red) ;   Ex -: (Black) ;  Sig +: 绿 (Green );  Sig -: (White);      
























请输入搜索关键字

确定