产品中心

您当前的位置:首页 > 产品中心 > 测力传感器 > 微型压向测力传感器 > GR704 微型压向测力传...

GR704 微型压向测力传感器

型号:GR704
特点及用途:外径20,高度5,精度0.5%;坚固耐用、高速动态响应;底面安装,顶部凸起点为受力点。主要用于按键检测,屏幕压力设备测力校准等。

咨询电话:

021-6995 0822

产品介绍

产品特征:

    外径20,高度5,精度0.5%

    坚固耐用、高速动态响应

    底面安装,顶部凸起点为受力点

    主要用于按键检测,屏幕压力设备测力校准等。


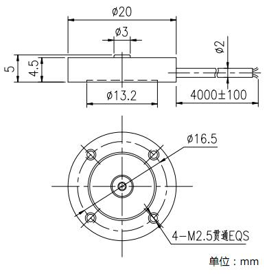
量程及尺寸图:

GR704尺寸图
                                   量程: 5、10、20、50、100KG                                                       

  技术参数

量程

Capacity

5,10,20,50,100KG

材质

Material

不锈钢

输出灵敏度

Rated output

1.5±10%  mV/V

输出电阻

Output Impedance

350±3Ω

非线性

Non-linearity

0.5 % F.S.

绝缘电阻

 Insulation

>5000MΩ/10VDC

滞后

Hysteresis

 0.5 % F.S.

使用电压 

Recommended Excitation

5~10V

重复性

Repeatability

 0.2 % F.S.

最大工作电压 

Excitation max

12V

蠕变(30分钟)

Creep(30min)

0.2 % F.S.

温度补偿范围

Compensated Temp Range

-10~60

温度灵敏度漂移

Temp Effect On Output

0.05 % F.S./ 10

工作温度范围

Operating Temp Range

-20~80

零点温度漂移

Temp Effect On Zero

0.05 % F.S./ 10

安全负载

Safe Load

120%

防护等级

Protection Class

IP 65

极限负载

 Ultimate Load Limit

150%

输入阻抗

Input Impedance

350±5Ω

电缆长度

Cable Length

2 x 4000mm

电缆线连接方式

Wire Connection

Ex +: (Red) ;   Ex -: (Black) ;  Sig +: 绿 (Green );  Sig -: (White);      
























请输入搜索关键字

确定