GR603 圆柱式测力传感器
咨询电话:
021-6995 0822
咨询电话:
021-6995 0822
产品介绍
产品特征:
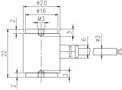
外径20,高度22,精度0.05%
高速动态响应
平面安装,平面受力
主要用于安装空间小的力值检测领域,如压装力检测、平面力值检测等
量程及尺寸图:

|
技术参数 |
|||
|
量程 Capacity |
10,20,50,100,200,500, 1000,2000N |
材质 Material |
不锈钢 |
|
输出灵敏度 Rated output |
2.0±10% mV/V |
输出电阻 Output Impedance |
350±3Ω |
|
非线性 Non-linearity |
0.05 % F.S. |
绝缘电阻 Insulation |
>5000MΩ/10VDC |
|
滞后 Hysteresis |
0.05 % F.S. |
使用电压 Recommended Excitation |
5~10V |
|
重复性 Repeatability |
0.05 % F.S. |
最大工作电压 Excitation max |
12V |
|
蠕变(30分钟) Creep(30min) |
0.05 % F.S. |
温度补偿范围 Compensated Temp Range |
-10~60℃ |
|
温度灵敏度漂移 Temp Effect On Output |
0.05 % F.S./ 10℃ |
工作温度范围 Operating Temp Range |
-20~80℃ |
|
零点温度漂移 Temp Effect On Zero |
0.05 % F.S./ 10℃ |
安全负载 Safe Load |
120% |
|
防护等级 Protection Class |
IP 66 |
极限负载 Ultimate Load Limit |
150% |
|
输入阻抗 Input Impedance |
350±5Ω |
电缆长度 Cable Length |
∅3 x 4000mm |
|
电缆线连接方式 Wire Connection |
Ex +: 红 (Red) ; Ex -: 黑 (Black) ; Sig +: 绿 (Green ); Sig -: 白 (White); |
||
版权所有©上海广瑞传感仪器有限公司 沪ICP备18024135号-1
请输入搜索关键字
确定