产品中心

您当前的位置:首页 > 产品中心 > 测力传感器 > 常规测力传感器 > GR401 轮辐测力传感器

GR401 轮辐测力传感器

型号:GR401
特点及用途:高精度,合金钢轮辐结构,硅橡胶密封,表面阳极化,耐腐蚀性佳,整体结构,安装使用方便,适用于电子测力系统,材料试验机,拉力试验机,油压机,料斗秤等各类电子称重设备和拉压力检测设备。

咨询电话:

021-6995 0822

产品介绍

产品特征:

    高精度,合金钢轮辐结构

    高耐腐蚀性佳,整体结构,抗偏载性强

    四周法兰孔固定,安装方便

    主要应用于电子测力系统,材料试验机,

       拉力试验机,油压机,料斗秤等各类电子称重设备和拉压力检测设备


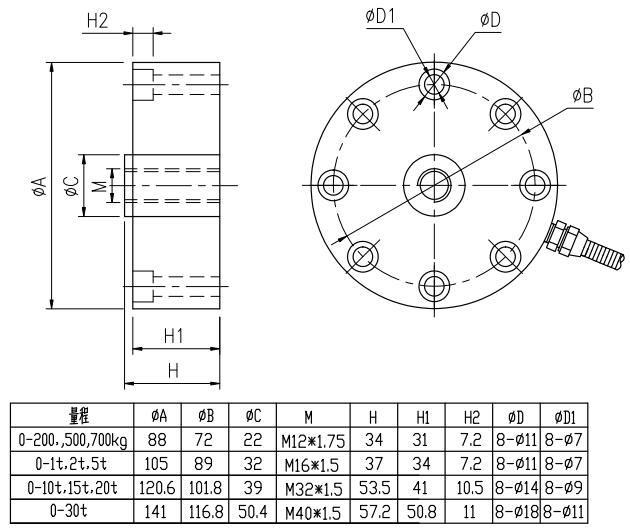
量程及尺寸图:

GR401尺寸图
                                                                                 

  技术参数

量程

Capacity

0~200kg~1t~2t~5t~10t~20t~30t

材质

Material

不锈钢

输出灵敏度

Rated output

2.0±10%  mV/V

输出电阻

Output Impedance

700±5Ω

非线性

Non-linearity

0.05 % F.S.

绝缘电阻

 Insulation

>5000MΩ/10VDC

滞后

Hysteresis

 0.05 % F.S.

使用电压 

Recommended Excitation

5~10V

重复性

Repeatability

 0.05 % F.S.

最大工作电压 

Excitation max

12V

蠕变(30分钟)

Creep(30min)

0.05 % F.S.

温度补偿范围

Compensated Temp Range

-10~60

温度灵敏度漂移

Temp Effect On Output

0.05 % F.S./ 10

工作温度范围

Operating Temp Range

-20~80

零点温度漂移

Temp Effect On Zero

0.05 % F.S./ 10

安全负载

Safe Load

120%

防护等级

Protection Class

IP 66

极限负载

 Ultimate Load Limit

150%

输入阻抗

Input Impedance

700±20Ω

电缆长度

Cable Length

∅5 x 2000mm

电缆线连接方式

Wire Connection

Ex +: (Red) ;   Ex -: (Black) ;  Sig +: 绿 (Green );  Sig -: (White);      
























请输入搜索关键字

确定