产品中心

您当前的位置:首页 > 产品中心 > 进口测力传感器 > 瑞士Baumer-力传感器... > 瑞士柱式耐冲击测力传...

瑞士柱式耐冲击测力传感器

型号:DLRP 10710613
特点及用途:总高度50,外径45,测试量程0-10吨,精度高,响应快,平面安装,耐冲击,耐疲劳,多用于安装空间小的力值检测领域。

咨询电话:

021-6995 0822

产品介绍

产品特征:

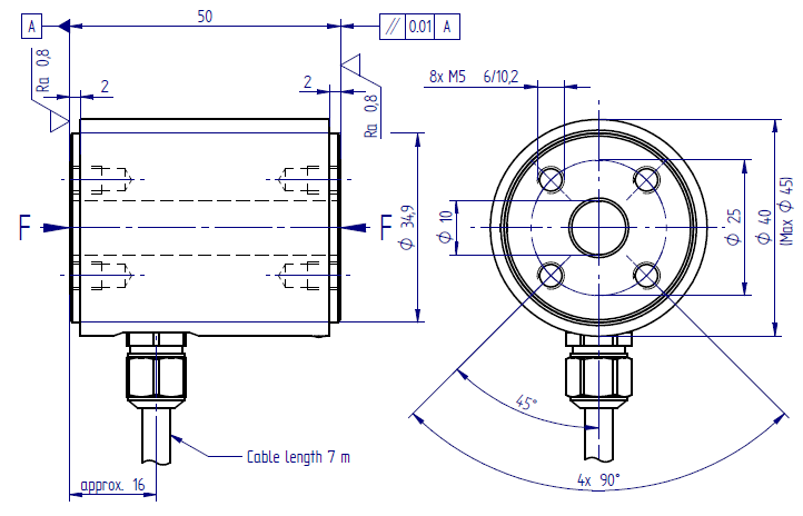
    总高度50,外径45

    平面安装平面受力

    耐冲击,耐疲劳

    多用于安装空间小的力值检测领域

量程及尺寸图:

柱式耐冲击传感器尺寸图
                                                  量程: 10,30,50,100KN   
                   注:量程100KN,传感器中间为实心,无通孔                                                   

  技术参数

量程

Capacity

10,30,50,100KN

材质

Material

不锈钢

输出灵敏度

Rated output

1.5 ±10%  mV/V

输出电阻

Output Impedance

350±3Ω

非线性

Non-linearity

0.5 % F.S.

绝缘电阻

 Insulation

>5000MΩ/10VDC

滞后

Hysteresis

 0.5 % F.S.

使用电压 

Recommended Excitation

5~10V

重复性

Repeatability

 0.2 % F.S.

最大工作电压 

Excitation max

12V

蠕变(30分钟)

Creep(30min)

0.2 % F.S.

温度补偿范围

Compensated Temp Range

0~70

温度灵敏度漂移

Temp Effect On Output

0.1 % F.S./ 10

工作温度范围

Operating Temp Range

-20~70

零点温度漂移

Temp Effect On Zero

0.1 % F.S./ 10

安全负载

Safe Load

150%

防护等级

Protection Class

IP 68

极限负载

 Ultimate Load Limit

200%

输入阻抗

Input Impedance

350±5Ω

电缆长度

Cable Length

5 x 5000m

电缆线连接方式

Wire Connection

Ex +:  (Brown) ;   Ex -: 蓝 (Blue) ;  Sig +: 白 (White );  Sig -: (Black);      
























请输入搜索关键字

确定