产品中心

您当前的位置:首页 > 产品中心 > 进口测力传感器 > 瑞士Baumer-力传感器... > 瑞士拉压双向测力传感...

瑞士拉压双向测力传感器

型号:DLRP-10710599
特点及用途:体积小,精度高,外螺纹连接,可以测量拉力与压力;极好的长期稳性,高频冲击后仍保持良好的信号输出,防护等级 IP68。

咨询电话:

021-6995 0822

产品介绍

产品特征:

    体积精度高

    外螺纹连接可以测量拉力与压力

    极好的长期稳定性

    高频冲击后仍保持良好的信号输出,防护等级 IP68

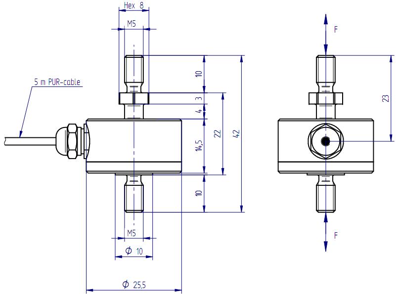
量程及尺寸图:

瑞士拉杆传感器尺寸图
                   量程: 50,100,200,500,1000,2000N                                                        

  技术参数

量程

Capacity

50,100,200,500,1000,2000N

材质

Material

不锈钢

输出灵敏度

Rated output

1.0 ±10%  mV/V

输出电阻

Output Impedance

350±3Ω

非线性

Non-linearity

0.2 % F.S.

绝缘电阻

 Insulation

>5000MΩ/10VDC

滞后

Hysteresis

 0.2 % F.S.

使用电压 

Recommended Excitation

5~10V

重复性

Repeatability

 0.1 % F.S.

最大工作电压 

Excitation max

12V

蠕变(30分钟)

Creep(30min)

0.15 % F.S.

温度补偿范围

Compensated Temp Range

0~70

温度灵敏度漂移

Temp Effect On Output

0.03 % F.S./ 10

工作温度范围

Operating Temp Range

-40~80

零点温度漂移

Temp Effect On Zero

0.03 % F.S./ 10

安全负载

Safe Load

150%

防护等级

Protection Class

IP 68

极限负载

 Ultimate Load Limit

200%

输入阻抗

Input Impedance

350±5Ω

电缆长度

Cable Length

3 x 5000mm

电缆线连接方式

Wire Connection

Ex +:  (Brown) ;   Ex -: 蓝 (Blue) ;  Sig +: 白 (White );  Sig -: (Black);      
























请输入搜索关键字

确定