产品中心

您当前的位置:首页 > 产品中心 > 信号放大器/变送器 > 模拟量信号输出 > GR101 模拟量信号放大...

GR101 模拟量信号放大器

型号:GR101
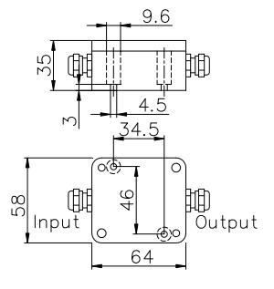
特点及用途:长68,宽56,高35,抗干扰强,采样速率200HZ,可将毫伏信号变送输出:0±5V,0±10V或0-20mA,4-20mA等模拟信号。

咨询电话:

021-6995 0822

产品介绍

               技术参数:

                    1、可接受传感器灵敏度范围: 0.5mV/V~8mV/V

                    2、输入负载:1~2只 350 欧姆电桥传感器

                    3、激励电压:5 VDC 

                    4、输出规格:0±10V / 4-20mA / 0±5V / 0-20mA

                    5、输出负载:≤500Ω(电流输出负载电阻)                                         

                    6、输出线性:优于0.05%

                    7、输出纹波:≤2mVp-p

                    8、电源输入:18VDC~24VDC

                    9、整机功耗:<0.2W(不含传感器和电流负载)

                   10、综合精度:优于 0.1%          

                 

                 尺寸图:

                        

请输入搜索关键字

确定